Termékek
FŐOLDAL > Termékek
GGJ alacsony feszültségű kombinált kapcsolóberendezés
  • GGJ alacsony feszültségű kombinált kapcsolóberendezésGGJ alacsony feszültségű kombinált kapcsolóberendezés

GGJ alacsony feszültségű kombinált kapcsolóberendezés

A Welcome (Wenzhou) Electric Co., Ltd., egy professzionális kínai gyártó által kifejlesztett GGJ alacsony feszültségű kombinált kapcsolóberendezés számítógéppel támogatott tervezéssel és integrált mikroszámítógépes vezérlési technológiával rendelkezik a meddőteljesítmény intelligens nyomon követésére és kompenzálására. Racionális felépítésével és kiforrott technológiájával büszkélkedhet, ezért széles körben alkalmazzák kisfeszültségű elektromos hálózatokban.

Professzionális kínai gyártóként a Comewill gyár minőségi GGJ alacsony feszültségű kombinált kapcsolóberendezést szeretne kínálni, amely hatékonyan növeli a teljesítménytényezőt, csökkenti a meddőteljesítmény-veszteséget és javítja a tápegység minőségét. Intelligens vezérlővel vezérelve teljes funkcionalitást és megbízható teljesítményt kínál automatikus kompenzációval, amely képes a teljesítménytényezőt 0,9 fölé emelni.

A GGJ alacsony feszültségű kombinált kapcsolóberendezés a hálózati teljesítménytényező valós idejű megjelenítését biztosítja, lefedve a késleltetett (0,00-0,99) és a vezető (0,00-0,99) tartományokat is. Átfogó védelmi funkciókkal rendelkezik a túlfeszültség, a túlzott harmonikusok, a túlkompenzáció, a rendszerhibák, a fáziskiesés, a túlterhelés és egyebek ellen. Áramkimaradás esetén is megőrzi a beállított paramétereket, és automatikusan újraindul, amint a hálózat stabilizálódik – nincs szükség helyszíni személyzetre.

A hálózat terhelési egyensúlya alapján a GGJ alacsony feszültségű kombinált kapcsolókészülék támogatja a fázisonkénti vagy vegyes kompenzációs módokat. Erős interferencia-elhárító képességével ellenáll a 2000 V-os amplitúdójú interferencia impulzusoknak közvetlenül a hálózatról, ami meghaladja a nemzeti ipari szabványokat. A készülék óránként méri és rögzíti a háromfázisú feszültséget, áramerősséget, frekvenciát, aktív teljesítményt, meddőteljesítményt, teljesítménytényezőt, aktív energiát, a transzformátor kisfeszültségű oldalán lévő meddőenergiát, valamint a teljes feszültség/áram torzítás mértékét és a 2-25. harmonikus tartalmat. RS-232 és RS-485 interfészekkel felszerelve lehetővé teszi az adatok kézi számítógépeken keresztüli átírását.

Távoli kommunikáción keresztül vezeték nélküli mérőleolvasást, eszköztesztet, paraméterkonfigurálást, valamint valós idejű és rögzített adatokhoz való hozzáférést ér el. Beépített adatelemző funkciója támogatja az üzemi terhelési adatok feldolgozását, statisztikáját és lekérdezését. Átfogóan értékeli a tápegység minőségét a feszültség minősítési arányának, a terhelési aránynak, a megbízhatósági aránynak és a maximális terhelési aránynak a kiszámításával. A felhasználók különböző időtartamokra ellenőrizhetik a teljesítménytényezőt, az aktív teljesítményt és a meddőteljesítményt, görbéket állíthatnak elő a fázisfeszültségre, áramerősségre, teljesítménytényezőre stb., valamint átfogó elemzési és statisztikai jelentéseket nyomtathatnak.

A szabványok érvényesítése

IEC439: "Kisfeszültségű kapcsoló- és vezérlőberendezések"
GB7251: "Kisfeszültségű kapcsolóberendezés"

Típus leírása

Normál szerviz állapot

1. A környezeti levegő hőmérséklete nem haladhatja meg a +40 ℃ vagy -5 ℃ alá, és a 24 órás átlaghőmérséklet nem haladhatja meg a +35 ℃-ot. Ha ezeket a hőmérsékleti határokat átlépi, akkor a tényleges körülmények alapján csökkentenie kell az eszköz működési kapacitását.
2. Ezt a GGJ alacsony feszültségű kombinált kapcsolóberendezést csak beltéri használatra tervezték, és a telepítési hely magassága nem haladhatja meg a 2000 métert.
3. Amikor a maximális hőmérséklet eléri a +40 ℃-ot, a környezeti levegő relatív páratartalmának 50% alatt kell maradnia. Alacsonyabb hőmérsékleten magasabb páratartalom is elfogadható – például +20 ℃-on 90%. Figyelembe kell vennie a hőmérséklet-ingadozások miatt esetlegesen előforduló páralecsapódást is.
4. A beszerelés során a készülék függőleges síktól való dőlése nem lehet 5°-nál nagyobb, és a teljes szekrénysornak viszonylag vízszintesnek kell lennie. Fontos, hogy a készüléket erős vibrációtól és ütésektől mentes helyre telepítse, ahol az elektromos alkatrészek nincsenek kitéve túlzott korróziónak.

Szekrény szélessége (A) Szekrény mélysége (B) Szerelési furatok távolsága (a) Szerelési furatok távolsága (b)
800 500 685 385
600 800 485 685
600 1000 485 885
800 800 685 685
800 1000 685 885
1000 800 885 685
1000 1000 885 885
Tétel Paraméterek
Névleges szigetelési feszültség (V) 660
Névleges üzemi feszültség (V) 380/660
Segédáramkör névleges feszültsége (V) AC 220/380
DC 110/220
Működési frekvencia (Hz) 50-60
Névleges áram (A) Vízszintes buszsáv <3150
Függőleges buszsín 630/800
Névleges Rövid idejű ellenállás Áram Középvonal (kA/1 s) 50
Gyújtósín (kA/1 s) 30
Névleges csúcsáram (kA/0,1 s) 105/50
Funkcionális egység megszakító kapacitása (kA) 50 (effektív érték)
Szekrényvédelmi fokozat IP40
Busz-bár Háromfázisú négyvezetékes rendszer, háromfázisú ötvezetékes rendszer
Üzemmód Helyszíni, távolsági és automata

Erő

1. Beszerzési szempontok miatt: A Welcome (Wenzhou) Electric Co., Ltd. GGJ alacsony feszültségű kombinált kapcsolókészüléke több szellőzőnyílással rendelkezik a szekrény tetején és alján egyaránt. Ez a kialakítás természetes, alulról felfelé haladó légáramlást hoz létre a zárt szekrényben, hatékonyan kezelve a hőelvezetési kihívásokat a megbízható működés érdekében.
2. A kapcsolóberendezés műszerajtója – elektromos alkatrészekkel felszerelve – és a belső rögzítőelemek egy teljes földelésvédelmi áramkört alkotnak, biztosítva a folyamatos földelés folytonosságát.
3. A fő gyűjtősíneket a szekrény hátsó felső részén helyezzük el, nagy szilárdságú, telítetlen poliészter DMC/SMC anyagokból készült AMJ típusú sínbilincsekkel párosítva. Ezek a bilincsek kivételes mechanikai szilárdságot és szigetelési teljesítményt biztosítanak, míg a szekrény levehető felső burkolata leegyszerűsíti a főgyűjtősínek helyszíni összeszerelését és beállítását.
4. A szekrény elektrosztatikus porbevonattal rendelkezik az erős tapadás érdekében, és minden belső alkatrész galvanizáláson és passziváláson megy keresztül. Ez növeli a kapcsolóberendezés „hárombiztos” képességeit: nedvességállóságot, porállóságot és korrózióállóságot, meghosszabbítva az élettartamát különböző környezetekben.
5. A különböző projektigényeknek megfelelően a GGJ alacsony feszültségű kombinált kapcsolóberendezés többféle kábelbemeneti lehetőséget támogat – felső bemenet, alsó és hátsó bemenet – rugalmas telepítést kínálva beszerzési projektekhez.

Rendelési utasítások

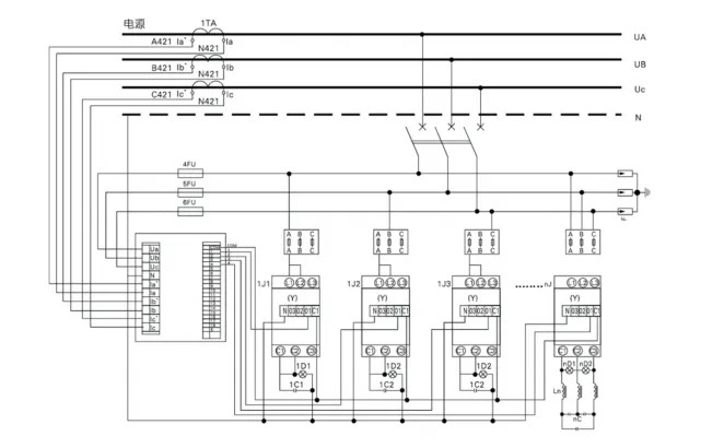
◇ Fő kapcsolási rajz;
◇ Kompenzációs kapacitás és kompenzációs módszer;
◇ Ha nem felel meg a termék normál működési feltételeinek, azt előzetesen meg kell határozni.


Hot Tags: GGJ alacsony feszültségű kombinált kapcsolóberendezés, Kína, gyártó, szállító, gyár, nagykereskedelem, testreszabott, raktáron, Kínában gyártott, alacsony ár, minőség
Kérdés küldése
Elérhetőségei
Küldjön ajánlatot a Comewill-nek kapcsolóberendezések, vákuummegszakítók, áramváltók iránt. Kérjen testreszabott árajánlatokat, alacsony árakat vagy szakértői támogatást kínai gyári csapatunktól.
X
Cookie-kat használunk, hogy jobb böngészési élményt kínáljunk, elemezzük a webhely forgalmát és személyre szabjuk a tartalmat. Az oldal használatával Ön elfogadja a cookie-k használatát. Adatvédelmi szabályzat
Elutasít Elfogadás