Termékek
FŐOLDAL > Termékek
LB6-35 áramváltó
  • LB6-35 áramváltóLB6-35 áramváltó
  • LB6-35 áramváltóLB6-35 áramváltó

LB6-35 áramváltó

Tekintse meg ezt az LB6-35 áramtranszformátort a Welcome (Wenzhou) Electric Co., Ltd.-től, egy professzionális kínai gyártótól – a legjobb választás a nagyfeszültségű berendezések beszerzéséhez. Kaszkád szigeteléssel készült kültéri használatra, 50 Hz-es, 66 kV-os, nullapontos, nem hatékonyan földelt rendszerekre szabva, és kiválóan működik villámvédelmi méréseknél.

Professzionális 0,72-40,5 kV-os kültéri áramtranszformátorként Kínában a Comewill minőségi LB6-35 áramváltót szeretne kínálni, amely szilárd gerjesztési jellemzőkkel büszkélkedhet, megbízhatóan működik és rendkívül könnyen karbantartható. Zárt szerkezettel és a tetején lévő fém tágítóval tartósra tervezték. Tökéletes beszerzési projektekhez 1000 m alatti magasságban, probléma nélkül kezeli a -30°C és 40°C közötti hőmérsékletet.

Biztosítjuk, hogy az LB6-35 áramváltó megfelel a nemzetközi minőségi szabványoknak, így közvetlenül illeszkedik az Ön középfeszültségű áramellátó rendszerébe. Részletes specifikációkra, egyedi árajánlatokra vagy segítségre van szüksége a tömeges beszerzéshez? Csak forduljon a Welcome (Wenzhou) Electric Co., Ltd.-hez. Csapatunk segít leegyszerűsíteni a beszerzési folyamatot, és összeállítja az Önnek megfelelő ellátási tervet.

Műszaki paraméter

Névleges feszültség Névleges primer áram Névleges szekunder áram Osztály kombináció Névleges másodlagos kimenet Pontossági határ taktor
Pontossági osztály V/A
35 5 ~ 2000 5 P1/P2/0.5, P/P2/0.2, P1/P2, 0.2S P1 40 15
P2 30 20
0.5 40
0.2 30
0,2S 30
Pontos rövid idejű termikus áram dinamikus stabil áram Névleges szigetelési szint Polaritás Adott kúszótávolság olaj súlya Teljes tömeg
1s rövid idejű hőáram 100In maximum 40 25ln max100 40,5/95/185 Kivonó 2.5 30-25 162-207

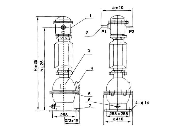
Specifikáció

Szám Név Vázlat
1 Olajszint jelző
2 Kimeneti terminál
3 Névtábla
4 Másodlagos csatlakozódoboz
5 Emelő horog
6 Olajminta szelep
7 Föld csap

Pontossági teszt

1、 Alapparaméterek
Névleges feszültség: 35 kV, közepes feszültségű villamosenergia-rendszerekhez alkalmas, általánosan használt választás a nagyfeszültségű berendezések beszerzéséhez
Névleges frekvencia: 50Hz/60Hz, kompatibilis a főáramú globális hálózati frekvenciákkal, közvetlenül adaptálható a különböző régiókban zajló projektekhez
Szigetelési módszer: Olajpapír szigetelés, kiváló minőségű szigetelőolaj és szigetelőpapír kombinációjával, stabil szigetelési teljesítménnyel és erős feszültségállósággal
Beépítési forma: Kültéri típus, kültéri környezetre alkalmas szerkezeti kialakítás, amely ellenáll a természeti tényezők hatásának, mint a szél, eső, homok stb.

2、 Főbb technikai mutatók
Egyszeri áramtartomány: 5A-2000A, amely a legtöbb mérési követelményt lefedi a munkakörülmények között. Az általános specifikációk közé tartozik az 5/5, 10/5, 30/5 stb., amelyek támogatják a speciális specifikációk testreszabását a beszerzési igényeknek megfelelően
Másodlagos áram: szabványos 5A kimenet, összhangban a nemzetközi univerzális interfész szabványokkal, közvetlenül illeszthető a támogató berendezésekkel, például elektromos mérőkkel és relékkel
Hőstabilitási áram: 1 másodperces effektív érték (pl. az 5 A áram 0,5 kA-nek, a 2000 A áram 1020 kA-nek felel meg), képes ellenállni a rövid távú hősokknak hiba esetén, károsodás veszélye nélkül
Dinamikusan stabil áramerősség: csúcsteljesítmény (pl. az 5 A áram 1,28 kA-nak, a 2000 A áram 2550 kA-nek felel meg), képes ellenállni a rövidzárlati áram által keltett elektromágneses erőnek és megőrizni a szerkezeti integritást
Hőmérséklet-emelkedési határ: A tekercs maximális hőmérséklet-emelkedése 55 ℃ (ellenállás módszerrel/hőmérő módszerrel mérve), a felső olajréteg maximális hőmérséklet-emelkedése 50 ℃ (hőmérő módszerrel mérve), hatékonyan elkerülve a túlmelegedés miatti szigetelés elöregedését és meghosszabbítva a termék élettartamát.

3、 A használattal és a beszerzéssel kapcsolatos óvintézkedések
Gyártás és karbantartás: Az LB6-35 áramtranszformátor vákuumszárításon és olajbemerítésen megy keresztül, mielőtt elhagyja a gyárat, hogy alaposan eltávolítsa a nedvességet és a levegőt, így biztosítva a szigetelés megbízhatóságát; A nem teljesen tömített szerkezet miatt használat közben rendszeresen ellenőrizni kell az olaj minőségét, szűrésre vagy cserére lehet szükség a berendezés folyamatos és stabil működése érdekében.

Alkalmazható forgatókönyvek:

Az LB6-35 Áramtranszformátor kifejezetten nagyfeszültségű távvezetékek áramfelügyeletére és védelmére készült, pontos áramjeleket tud adni, támogatja az energiamérést, a relévédelmet és a rendszervezérlési munkát, valamint biztosítja az elektromos hálózat biztonságos és stabil működését.
Ha jobban meg kell értenie a termék részletes műszaki adatait, személyre szabott árajánlatot szeretne kérni vagy tömeges beszerzési terveket szeretne kérni, kérjük, forduljon bizalommal a Welcome (Wenzhou) Electric Co., Ltd.-hez. Professzionális nagyfeszültségű berendezések beszerzését és támogató szolgáltatásokat nyújtunk az Ön tényleges projektszükségleteinek kielégítésére.

Hot Tags: LB6-35 Áramtranszformátor, Kína, Gyártó, Szállító, Gyári, Nagykereskedelmi, Testreszabott, Raktáron, Kínában gyártott, Alacsony ár, Minőség
Kérdés küldése
Elérhetőségei
Küldjön ajánlatot a Comewill-nek kapcsolóberendezések, vákuummegszakítók, áramváltók iránt. Kérjen testreszabott árajánlatokat, alacsony árakat vagy szakértői támogatást kínai gyári csapatunktól.
X
Cookie-kat használunk, hogy jobb böngészési élményt kínáljunk, elemezzük a webhely forgalmát és személyre szabjuk a tartalmat. Az oldal használatával Ön elfogadja a cookie-k használatát. Adatvédelmi szabályzat
Elutasít Elfogadás