Termékek
FŐOLDAL > Termékek
LMZK-10 áramváltó
  • LMZK-10 áramváltóLMZK-10 áramváltó
  • LMZK-10 áramváltóLMZK-10 áramváltó

LMZK-10 áramváltó

A kínai Welcome (Wenzhou) Electric Co., Ltd. által szállított LMZK-10 áramváltó alkalmas elektromos berendezések árammérésére, jelmintavételére és mikroszámítógép-védelmi szcenárióira 10 KV-os váltakozó áramú rendszerekben. Ez az előnyben részesített támogató berendezés az energetikai beszerzésekhez.

A Comewill, mint vezető kínai gyártó és beszállító, LMZK-10 áramváltót kínál az Ön számára, amely alapvető előnyöket kínál, beleértve a kompakt méretet, a levehető magot a könnyű telepítés érdekében, valamint a nagy pontosságú mérést importált szilíciumacél felhasználásával. Kifejezetten 10 kV-os kompakt kapcsolóberendezésekhez tervezték.

Ennek az LMZK-10 áramváltónak olyan alapvető előnyei vannak, mint a kis méret, könnyű súly, kapcsolható és egyszerű telepítés, és széles körben alkalmas kompakt, teljesen szigetelt gyűrűs hálózati kapcsolóberendezések beszerzési igényeire. Különösen alkalmas távoli végberendezésekkel, például RTU-val és FTU-val kombinálva mintavételi egységet alkotva, átfogó megoldást és adattámogatást biztosítva a teljes rendszer számára. A beszerzés és a telepítés után nincs szükség az eredeti vezetékezés módosítására. Közvetlenül a csatlakoztatott be- és kimenő kábelekre szerelhető, egyszerűvé és gyorssá téve a kezelést, jelentősen csökkentve a mérnöki szerelés költségeit. Jelenleg széles körben használják a kompakt, teljesen szigetelt gyűrűs hálózati kapcsolóberendezésekben, mint például a SafeRing/Plus, Uniswitch, RM6/SM6, SVS, GA/GE, FB, SS stb., és alkalmas kombinált alállomások, kábelelosztó dobozok és egyéb berendezések beszerzésére és támogatására is.

A maganyagot és az eljárásokat tekintve az LMZK-10 áramváltó kiváló minőségű importált, nagy permeabilitású szilícium acéllemezeket használ mágneses anyagként, amelyek a leszerelhető vasmagok jellemzőivel és alacsony mágneses áramköri veszteséggel rendelkeznek. A gyanta vákuum öntött égésgátló műanyag héjban, kiváló nedvességállósággal, stabil teljesítménnyel, és nem igényel későbbi karbantartást, amely hosszú távú használat esetén megfelel a beszerzési költséghatékonysági követelményeknek. A telepítés során rögzítse a két félkör alakú gyűrűt a fáziskülönbségű kábelre, és rögzítse őket bilincsekkel, hogy zökkenőmentesen illeszkedjenek a kábelhez, gyönyörű és összehangolt megjelenést hozva létre. A termék 10 KV-s kábelek beszerzésére alkalmas, 35 mm ² és 400 mm ² közötti specifikációkkal. A bilincs kiváló minőségű rozsdamentes acél anyagból készült, amely erős és megbízható. Használat közben nem keletkezik örvényáram, ami biztosítja a berendezés biztonságos működését.

A munka- és szerelési környezet műszaki követelményei-LMZK-10 áramváltó

A terhelési oldalon a teljesítménytényezőnek meg kell felelnie a COS φ=0,8 értéknek (hiszterézis jellemzőket mutat).
A névleges szekunder áram 5A vagy 1A specifikációk közül választható, hogy megfeleljen a különböző energiaellátó rendszerek igényeinek.
Környezeti hőmérsékleti tartomány: Az alsó határ -5 ℃, a felső határ 40 ℃, a napi átlaghőmérséklet nem haladhatja meg a 30 ℃-ot.
A névleges működési frekvencia két általános szabványt támogat: 50 Hz vagy 60 Hz.
A berendezés telepítési magasságát 1000 méteren vagy az alatt kell szabályozni.
A szennyezettségi szint megfelel a II. szintű szabványnak, és alkalmas a hagyományos ipari környezetekhez.

A termék gyártása és ellenőrzése szigorúan követi a GB20840.1 és GB20840.2 nemzeti szabványokat.

MŰSZAKI ADATOK

LMZK1

Írja be LMZK1-10C LMZK1-10P LMZK1-10CP
Cél Mérőáram-transzformátor Védőáram-transzformátor Dupla tekercses áramváltó
Hányados Pontossági osztály és névleges terhelés (VA) Pontossági osztály és névleges terhelés (VA) Pontossági osztály és névleges terhelés (VA)
0.5 1 3 10P15 10P10 10P5 0.5 1 10P10 10P5
50/5

2.5






75/5

2.5

1.5



100/5
2.5


2.5



150/5
2.5

1.5 3.75



200/5 2.5 5

2.5 5



300/5 2.5 5
1.5 2.5 5
2.5
1.5
400/5 5 5
1.5 2.5 5 2.5

2.5
500/5 5 5
2.5 3.75 7.5 2.5

2.5
600/5 5 5
2.5 5 10 2.5

2.5

LMZK2

Írja be LMZK2-10C

LMZK2-10P
LMZK2-10CP
Cél
Árammérés Védőáram Dupla tekercselési áram

transzformátor
transzformátor
transzformátor
Hányados
Pontossági osztály és Pontossági osztály és Pontossági osztály és névleges terhelés

névleges terhelés (VA) névleges terhelés (VA) (VA)
0,2 0,5 1 10P15 10P10 10P5 0,5 1 10P10 10P5
50/5 2.5
2.5
75/5 2.5 2.5 2
1.5
100/5 2.5 5 2.5 5 2.5 2.5
150/5 2.5 5
2.5 5
2.5 2.5
200/5 3.75 7.5
3.75 7.5
3.75 2.5
300/5 2.5 5 3.75 5 10 2.5 5
2.5
5
400/5 5 7.5 3.75 5 10 5 5
2.5 5
500/5 5 7.5 5 7.5 15 5 5 3.75 7.5
600/5 5 10 5 7.5 15 5 5 3.75 7.5

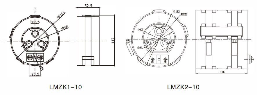
Vázlat mérete


Hot Tags: LMZK-10 Áramtranszformátor, Kína, Gyártó, Szállító, Gyári, Nagyker, Testreszabott, Raktáron, Kínában gyártott, Alacsony ár, Minőség
Kérdés küldése
Elérhetőségei
Küldjön ajánlatot a Comewill-nek kapcsolóberendezések, vákuummegszakítók, áramváltók iránt. Kérjen testreszabott árajánlatokat, alacsony árakat vagy szakértői támogatást kínai gyári csapatunktól.
X
Cookie-kat használunk, hogy jobb böngészési élményt kínáljunk, elemezzük a webhely forgalmát és személyre szabjuk a tartalmat. Az oldal használatával Ön elfogadja a cookie-k használatát. Adatvédelmi szabályzat
Elutasít Elfogadás